「自吸泵」FZB氟塑料自吸泵
- 选型报价: 获取2021年价格
- 流量范围:1.5~60(m3/h)
- 扬程范围:15~50(m)
- 轴封形式:机械密封
- 泵的类型:离心式
- 功率范围:1.5-15(KW)
- 口径范围:25~80(mm)
- 材质可选:氟塑料
- 连接方式:联轴器
- 驱动形式:三相交流电机
一、FZB氟塑料自吸泵主要用途:
上海品牌厂家沈泉泵阀生产制造的FZB氟塑料自吸泵的过流部件全部采用氟塑料制造,且又具有自吸功能,因此,FZB自吸泵的用途G为广泛,如:将地下槽中的腐蚀性液体抽送至目标地点,将底端无出口的酸碱槽中的酸碱抽送到目标地点,或用于多个酸槽之间的循环,或用于卸酸等等。各行业不同工况FZB氟塑料自吸泵适用型号的选型及不同材质和配置下的价格问题欢迎致电24小时报价热线400-6656-887咨询2019年自吸泵厂家直销价格,同时可提供外形尺寸、安装图纸,结构图纸、曲线图谱和安装尺寸等数据。
FZB自吸泵人性化的设计原理、卓越的工作性能,已成为越来越多的使用单位必不可少的泵设备之一。

二、FZB氟塑料自吸泵产品简介:
FZB自吸泵是按GJ标准并结合非金属泵的工艺设计制造。自吸泵体采用金属外壳内衬氟塑料,过流部件全部采用氟塑料合金制造,泵盖、叶轮等均用金属嵌件外包氟塑料整体烧结压制而成,轴封采用外装式先进的波纹管机械密封,静环选用99.9%氧化铝陶瓷(或氮化硅),动环采用四氟填充材料,其耐腐耐磨密封性G好。泵的进出口均采用铸钢体加固,以增强了泵的耐压性。实际使用显示,该泵具有耐腐、耐磨、耐高温、不老化、机械强度高、运转平稳、结构先进合理、密封性能严格可靠、拆卸检修方便、使用寿命长等优点。
FZB自吸泵Z突出的特点就是具有自吸功能,可抽送低于泵安装位置以下的液体,且性能稳定,操作简单,只需在泵DY次使用前灌液后,第二次及以后使用则无需灌液,直接开机即可,自吸高度可根据介质密度在2至4米内确定,是替代体型笨重的液下泵的Z佳选择。

三、FZB氟塑料自吸泵技术参数:
流量:1.5~60 m3/h;
扬程:15~50 m;
转速:2900 r/min;
功率:1.5~15 KW;
进口直径:25~80 mm;
适用温度:-20℃~120℃。
四、FZB系列氟塑料自吸泵性能参数选型表

用户可根据此表选型确定型号,如有特殊情况可咨询我公司技术人员。
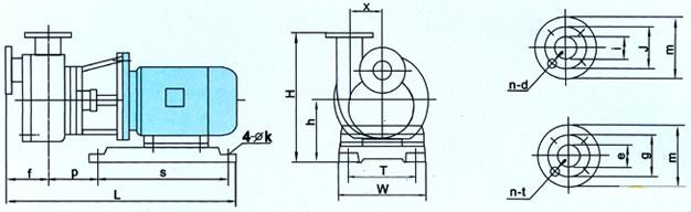
五、FZB系列氟塑料自吸泵安装尺寸

| 系列 | 型 号 | 外型及安装尺寸 | 进口法兰尺寸 | 出口法兰尺寸 | |||||||||||||||
| L | S | P | f | W | T | H | h | x | k | i | j | m | n-d | e | g | n | 4-t | ||
| 短支架 | 32FZB-15 | 450 | 100 | 160 | 80 | 180 | 140 | 230 | 90 | 55 | 10 | 32 | 90 | 120 | 4-11 | 32 | 90 | 120 | 4-11 |
| 40FZB-20 | 590 | 310 | 160 | 110 | 220 | 170 | 305 | 140 | 65 | 12 | 40 | 100 | 130 | 4-13 | 40 | 100 | 130 | 4-13 | |
| 40FZB-30 | 590 | 310 | 160 | 110 | 220 | 170 | 305 | 140 | 80 | 12 | 40 | 100 | 130 | 4-13 | 40 | 100 | 130 | 4-13 | |
| 50FZB-20 | 590 | 310 | 160 | 110 | 220 | 170 | 305 | 140 | 65 | 12 | 50 | 100 | 130 | 4-13 | 50 | 100 | 130 | 4-13 | |
| 50FZB-30 | 590 | 310 | 160 | 110 | 220 | 170 | 305 | 140 | 80 | 12 | 50 | 100 | 130 | 4-13 | 50 | 100 | 130 | 4-13 | |

| 系列 | 型 号 | 外型及安装尺寸 | 进口法兰尺寸 | 出口法兰尺寸 | |||||||||||||||
| L | S | P | f | W | T | H | h | x | k | i | j | m | n-d | e | g | n | n-t | ||
| 长支架 | 65FZB-20L | 1100 | 600 | 250 | 180 | 390 | 350 | 440 | 212 | 80 | 20 | 65 | 145 | 185 | 4-18 | 50 | 125 | 165 | 4-18 |
| 65FZB-30L | 1200 | 660 | 300 | 200 | 450 | 400 | 480 | 232 | 100 | 24 | 65 | 145 | 185 | 4-18 | 50 | 125 | 165 | 4-48 | |
| 80FZB-20L | 1200 | 660 | 300 | 200 | 450 | 400 | 480 | 232 | 100 | 24 | 80 | 160 | 200 | 8-18 | 65 | 145 | 185 | 4-18 | |
| 80FZB-30L | 1240 | 740 | 330 | 210 | 500 | 450 | 520 | 260 | 110 | 24 | 80 | 160 | 200 | 8-18 | 65 | 145 | 185 | 4-18 | |
备注:以上参数选型表只是FZB氟塑料自吸泵的部分性能参数,如在上表中没有找到符合贵单位要求的型号参数可以向我们咨询,我们有专业的工程师为您提供常规产品中没有的参数选型,更加精准的选出适合贵单位适用的自吸泵型号产品。
在选型过程中请尽量提供以下几项数据:1、口径,2、流量,3、扬程或者水头(m),4、过流材质,5、流体介质,6、介质粘稠度,7、介质是否含有颗粒,8、电机功率(KW),9、转速(r/min),10、电压〔V〕,11、使用环境:室内或室外,高原或平原,所处位置是否要求防爆等等,如果你对以上关于FZB氟塑料自吸泵的选型,不同流体介质适用泵体,叶轮和机械密封等过流部件的材质及不同配置的2019年价格有任何问题,请您致电我公司,我们将竭诚为您提供优质的服务。
相关推荐:ZCQF氟塑料自吸磁力泵 ZCQ自吸式磁力泵
本文标题:「自吸泵」FZB氟塑料自吸泵本文地址://m.999jzw.com/ZXZW/249.html
管道离心泵
排污泵
自吸泵
磁力泵
隔膜泵
螺杆泵
全国统一服务热线:400-6656-887
地址:上海市嘉定区绿色经济工业园
邮箱:sales@sqmade.com





