塑料气动隔膜泵
- 选型报价: 获取2021年价格
- 流量范围:16-400(L/min)
- 扬程范围:8-80(m)
- 轴封形式:无
- 泵的类型:容积式
- 功率范围:(KW)
- 口径范围:0-84
- 材质可选:氟塑料,增强聚丙烯
- 连接方式:
- 驱动形式:压缩空气
一、塑料气动隔膜泵主要用途:
1、隔膜泵吸花生酱、泡菜、土豆泥、小红肠、果酱苹果浆、巧克力等。
2、隔膜泵吸油漆、树胶、颜料。
3、粘合剂和胶水、全部种类可用泵吸取。
4、各种瓦、瓷、砖器及陶器釉浆。
5、油井钻好后,用泵吸沉积物及灌浆。
6、泵吸各种乳剂和填料。 .
7、隔膜泵吸各种污水。
8、用泵为油轮,驳船清仓吸取仓内污水。
9、啤酒花及发酵粉稀浆、糖浆、糖密。
10、隔膜泵吸矿井、坑道、隧道、选矿、矿渣中的积水。泵吸水泥灌浆及灰浆。
11、各种橡胶浆。
12、各种磨料、腐蚀剂、石油及泥浆、清洗油垢及一般容器。
13、各种剧毒、易燃、易挥发液体。
14、各种强酸、强碱、强腐蚀液体。
15、各种高温液体Z高可耐150℃。
16、作为各种固液分离设备的前G送压装置。

二、塑料气动隔膜泵产品简介:
上海品牌厂家沈泉泵阀生产制造的生产的QBY系列气动隔膜泵是一种新型输送机械,采用压缩空气为动力源,对于各种腐蚀性液体,带颗粒的液体,高粘度、易挥发、易燃、剧毒的液体,均能予以抽光吸尽。其性能参数与联邦德G的WLLDENPVMPS、美G的MARlOWPUMPS相近。各行业不同工况QBY气动隔膜泵适用型号的选型及不同材质和配置下的价格问题欢迎致电24小时报价热线400-6656-887咨询2019年隔膜泵厂家直销价格,同时可提供外形尺寸、安装图纸,结构图纸、曲线图谱和安装尺寸等数据。
三、塑料气动隔膜泵技术参数:
流量:0-30m3/h
扬程:0-50m
口径:10-100mm
温度:-15-+120℃
压力:0.1-0.7MPa
自吸高度:5-7m
气动隔膜泵应用实例
1、油罐清底,尽管有垫水法抽油,也不能保证将油抽净,表面总要剩下至少3-5mm厚的油层。以5000m3油罐为例,每次大约损耗1-1.5t油。对于有低位脱水槽的油罐,虽可将剩下的油和水排放到含油污水处理场回收,但是挥发的油品在输送过程中大都挥发殆尽,且污染环境。
2、临时倒罐、装卸车和油品采样,炼油生产调度过程中,油品经常要临时倒罐、装车和对油罐中油品采样检验。或者为了不至于污染正常的管线时,用隔膜泵接临时管线可以迅速方便地完成此项任务。
3、油轮仓底油回收一条3000t的油轮用固定螺杆泵卸油,仓库隔板之间至少要剩余50t油,若用排量较大的隔腆泵,可以收到很好的效果。
4、瓦斯、硫化氢残液的输送炼油厂火炬底部的瓦斯残液和含硫水,需要集中排放和处理,否则会形成酸性腐蚀设备。
5、陶瓷行业:用该泵抽吸釉浆,并可用于向压滤机送压。
6、下水井、暗沟排除渍水、污油在下水井管道,阀门及暗沟检修时,需要排除渍水和污油。用潜水泵虽可抽尽溃水,但往往这些地方都远离电源,很不方便。使用隔膜泵则可采用压?气瓶作动力,回收污油,排泄溃水。
7、污水处理场和污泥池的清扫污水处理场的污泥池,常常聚积大量的油泥和淤沙,需要清扫,采用隔膜泵抽吸灵活、方便省工、省力、省时。
8、液化气泵房和化验室排渍水,由于这些地方地势较低,又是一G防火区,采用隔膜泵排渍水比较安全,比用水抽子、汽抽子效率高出好多倍。
9.此外,此泵应用于环烷酸精制转料,装车亚硫酸纳液体输送,苯类原料装卸车等方面都有它自己的优势。
四、塑料气动隔膜泵型号性能参数选型表

用户可根据此表选型确定型号,如有特殊情况可咨询我公司技术人员。
五、塑料气动隔膜泵型号意义

六、塑料气动隔膜泵结构图纸

1 进气口 2 配气阀体 3 配气阀 4 圆球 5 球座 6 隔膜 7 连杆 8 连杆铜套 9 中间支架 10 泵进口 11 排气口
七、塑料气动隔膜泵工作原理

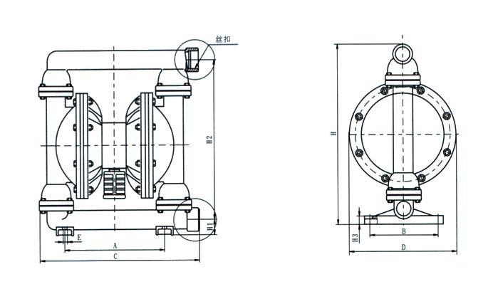
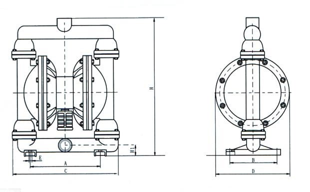
八、塑料气动隔膜泵(安装尺寸)


| 型号 | A | B | C | D | E | H1 | H | 丝扣 | 备注 |
| QBY-10 | 160 | 0 | 200 | 160 | 10 | 40 | 260 | 3/8” |
铸铁、不锈钢、铝合金 |
| QBY-15 | 160 | 0 | 200 | 160 | 10 | 40 | 260 | 1/2” | |
| QBY-20 | 180 | 155 | 300 | 200 | 10 | 40 | 400 | 3/4” | |
| QBY-25 | 210 | 160 | 320 | 230 | 12 | 50 | 470 | 1” | |
| QBY-40 | 210 | 160 | 320 | 230 | 12 | 50 | 470 | 11/2” |

| 型号 | A | B | C | D | E | H1 | H | 丝扣 | 备注 |
| QBY-10 | 160 | 0 | 200 | 160 | 10 | 40 | 260 | 3/8” |
铸铁、不锈钢、铝合金 |
| QBY-15 | 160 | 0 | 200 | 160 | 10 | 40 | 260 | 1/2” | |
| QBY-20 | 180 | 155 | 300 | 200 | 10 | 40 | 400 | 3/4” | |
| QBY-25 | 210 | 160 | 320 | 230 | 12 | 50 | 470 | 1” | |
| QBY-40 | 210 | 160 | 320 | 230 | 12 | 50 | 470 | 11/2” |


九、塑料气动隔膜泵几种隔膜材料适应介质特性

备注:以上参数选型表只是不锈钢气动隔膜泵的部分性能参数,如在上表中没有找到符合贵单位要求的型号参数可以向我们咨询,我们有专业的工程师为您提供常规产品中没有的参数选型,更加精准的选出适合贵单位适用的隔膜泵型号产品。
在选型过程中请尽量提供以下几项数据:1、口径,2、流量,3、扬程或者水头(m),4、过流材质,5、流体介质,6、介质粘稠度,7、介质是否含有颗粒,8、电机功率(KW),9、转速(r/min),10、电压〔V〕,11、使用环境:室内或室外,高原或平原,所处位置是否要求防爆等等,如果你对以上关于塑料气动隔膜泵的选型,不同流体介质适用泵体,叶轮和机械密封等过流部件的材质及不同配置的2019年价格有任何问题,请您致电我公司,我们将竭诚为您提供优质的服务。
本文标题:塑料气动隔膜泵本文地址://m.999jzw.com/QBYQBK/401.html
管道离心泵
排污泵
自吸泵
磁力泵
隔膜泵
螺杆泵
全国统一服务热线:400-6656-887
地址:上海市嘉定区绿色经济工业园
邮箱:sales@sqmade.com





